Conversions    
 
  Constantes 
 
  Gas Parfaits  
 
  Astronomie  
 
  Unités  
 
  home  
 
  ask us  
 

 


Sciences
Physiques



Électricité 43
Courants et
tensions




Exercices





Électricité 34
Courants et
tensions
Électromagnétisme





Je confirme mes acquis



Exercices



Laboratoires






© The scientific sentence. 2010



Physique

L’électricité
Je confirme mes acquis






L’électricité



1. La charge électrique


1. Formulez la loi des charges électriques.

Les charges électriques de signes opposés s’attirent. Les charges électriques de même signe se repoussent.

Les objets chargés peuvent attirer certains objets neutres (c’est-à-dire sans charge électrique).

2. Pourquoi un métal comme le cuivre est-il un bon conducteur d’électricité, alors que le verre est un bon isolant ?

Parce qu’un métal comme le cuivre possède beaucoup de charges électriques qui peuvent facilement se déplacer à l’intérieur (les électrons libres) de celui-ci. Comme il n’y a pas à l’intérieur du verre de charges électriques libres de se déplacer, les électrons ne peuvent pas circuler librement, ce pourquoi le verre est un bon isolant électrique.

3. Nommez les trois façons de charger électriquement un objet.

Par frottement, par contact et par induction.

4. Quelles sont les charges transférées lorsqu’un objet est chargé ?

Des électrons.

5. On touche un électroscope à feuilles métalliques avec un objet chargé négativement. Quelle est la nature de la charge sur les feuilles de l’électroscope ? Pourquoi ?

Les feuilles de l’électroscope sont chargées négativement. Lors du contact, il y a un transfert d’électrons de l’objet chargé négativement vers l’électroscope. Comme l’électroscope est conducteur, les électrons transférés se répartissent dans toutes ses parties. Il y a donc un surplus d’électrons dans les feuilles métalliques, qui sont donc chargées négativement.

6. Décrivez une expérience qui permettrait de déterminer la charge d’une petite sphère métallique suspendue à une ficelle. Le matériel à utiliser est une tige de verre et du coton.

La sphère peut être soit chargée positivement, soit chargée négativement, soit neutre. En frottant la tige de verre contre le coton, on charge la tige positivement et le coton négativement puisque celui-ci attire davantage les électrons. On approche d’abord la tige puis le morceau de coton en dessous de la sphère. Si l’un des deux objets repousse la sphère, la loi des charges permet de trouver le signe de la charge de la sphère. Si aucun des deux objets ne la repousse, c’est que la sphère n’est pas chargée. (Il faut faire bien attention de ne pas toucher la sphère parce qu’on pourrait modifier sa charge.)

7. Combien d’électrons compte un atome dont le noyau possède une charge de 4 x 10- 18 C?

25 électrons

8. Expliquez ce que signifie un coulomb de charge positive sur un objet.

Un coulomb de charge positive sur un objet signifie que cet objet a perdu 6,25 x 1018 électrons



2. L’électricité statique


1. Qu’est-ce que l’électricité statique ?

L’électricité statique est une forme d’électricité qui apparaît à la suite de frottements entre des substances ou des matériaux.

2. Que se produit-il lorsqu’il y a trop d’électricité statique accumulée sur un objet ?

Il se produit une décharge électrique qui se manifeste par une étincelle ou un arc électrique.

3. Donnez deux exemples d’application de l’électricité statique dans la vie quotidienne.

La colorisation électrostatique, le filtre électrostatique.

4. Expliquez sommairement l’origine des éclairs qui se produisent lors des orages.

Lors d’un orage, la partie inférieure du nuage se charge négativement. Cette charge négative induit une charge positive à la surface du sol sous le nuage. L’électricité statique s’accumule dans le nuage et à la surface du sol. Si l’accumulation des charges électriques contraires devient suffisamment importante, il se produit alors une décharge électrique vers la terre. Le long du passage de cette décharge, l’air est ionisé et devient visible : c’est l’éclair.



3. La loi de Coulomb


1. Quels sont les deux facteurs qui déterminent la grandeur de la force électrique ?

La distance entre les deux charges électriques. La valeur de ces deux charges.

2. a. Quelle est la grandeur de la force entre deux petites sphères séparées de 0,5 m, si chacune a une charge de 1,2 x 10–10 C?

5,2 x 10–10 N

b. S’agit-il d’une force d’attraction ou de répulsion ? Il s’agit d’une force de répulsion, car les deux charges sont de même signe.



4. Le champ électrique


1. Qu’est-ce que le champ électrique ?

Le champ électrique est une région de l’espace où une force électrique créée par un corps chargé peut s’exercer sur un autre corps chargé.

2. a. Quelle est l’intensité d’un champ électrique à 0,8 m d’une petite sphère portant une charge positive de 2,1 x 10–9 C?

29,5 N/C

b. Dans quelle direction les lignes de champ sont-elles orientées ?

Les lignes de champ pointent vers l’extérieur de la charge, car elle est positive.



4. Les circuits électriques


1. Quelle est la principale différence entre un circuit en série et un circuit en parallèle ?

Un circuit en série est formé d’une seule boucle et n’offre qu’un seul chemin au passage du courant électrique. Un circuit en parallèle est formé de plusieurs branches et offre plusieurs chemins au passage du courant électrique.

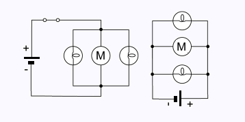
2. Tracez le schéma d’un circuit électrique comprenant deux ampoules et un moteur qui sont

a. branchés en série ;



b. branchés en parallèle



5. La loi d’Ohm


1. Qu’est-ce que l’intensité du courant électrique ?

L’intensité du courant électrique est la quantité de charges électriques qui passent dans un conducteur dans un intervalle de temps donné (I = q/Δt).

2. Une charge électrique de 600 C traverse un séchoir à cheveux pendant 2 minutes. Quelle est l’intensité du courant électrique qui traverse le séchoir à cheveux ?

5 A

3. Qu’est-ce que la tension électrique (différence de potentiel) ?

La tension électrique correspond à la différence d’énergie des charges électriques entre l’entrée et la sortie d’une composante. En d’autres mots, c’est la différence d’énergie par unité de charge (U = ΔE/q).

4. Quelle est la tension électrique aux bornes d’un petit moteur électrique si une charge de 64 C lui transfère 3 200 J ?

50 V

5. Quelle est l’énergie consommée par un ventilateur traversé par un courant de 1,5 A qui fonctionne pendant 20 minutes sous une tension de 120 V?

216 kJ ou 2,16 x 105 J

6. Expliquez dans vos mots le lien entre le courant, l’énergie et la tension électrique.

L’énergie fournie (ΔE) à une composante est égale au produit de la tension électrique (U) par l’intensité du courant (I) par la durée de fonctionnement de la composante (Δt) : ΔE = UIΔt. Ainsi, plus la tension et l’intensité sont grandes, plus on fournit d’énergie à la composante.

7. Qu’est-ce que la résistance électrique ?

La résistance électrique est l’opposition rencontrée par le flux de charges électriques le long du circuit.

8. Quelle est l’intensité du courant qui traverse la télécommande d’un téléviseur alimentée par une tension de 3,0 V, si sa résistance est 9,4 Ω?

0,32 A 9. Un ordinateur a une résistance totale de 48 Ω et est alimenté par un courant de 2,3 A. Quelle est la tension électrique aux bornes du bloc d’alimentation de cet ordinateur?

110,4 V



6. Les lois de Kirchhoff


1. Déterminez la valeur des paramètres manquants dans les circuits suivants:

a. Comme il n’y a pas de nœud, il s’agit d’un circuit en série :

donc IT = I1 = I2 = I3 = 6 A
Loi d’Ohm pour R3 : U3 = R3 x I3 = 2 Ω x 6 A = 12 V
Loi des mailles : 42 V = U1 + 6 V + U3 = U1 + 6 V + 12 V
donc U1 = 42 V – 6 V – 12 V = 24 V
Loi d’Ohm pour R1 et R2 : R1 = U1/I1 = 24 V/6 A = 4 Ω
et R2 = U2/I2 = 6 V/6 A = 1 Ω


b.

Loi des mailles : UT = U1 = U2 = 12 V
Loi d’Ohm pour R1: R1 = U1/I1 = 12 V/2 A = 6 Ω
R2 = R1 = 6 Ω
Loi d’Ohm pour R2: I2 = U2/R2 = 12 V/6 Ω = 2 A
Loi des nœuds : IT = I1 + I2 = 2 A + 2 A = 4 A


2. Calculez la résistance équivalente dans chacun des circuits suivants :

a. un circuit comprenant trois résisteurs, de 10 Ω, 40 Ω et 50 Ω, montés en série :

100 Ω

b. un circuit comprenant trois résisteurs, de 2 Ω, 5 Ω et 34 Ω, montés en parallèle:

1.4 Ω



7. La relation entre la puissance
et l’énergie électrique


1. Calculez la puissance dissipée par une cuisinière électrique alimentée par un courant de 12,5 A provenant d’une source de 240 V.

3 000 W

2. Calculez la puissance d’un amplificateur branché à une prise électrique de 120 V, alors que sa résistance est de 96 Ω

150 W






  

Google
  Web ScientificSentence
 


chimie labs
|
scientific sentence
|
java
|
php
|
green cat
|
contact
|


© Scientificsentence 2009. All rights reserved.